This Is How Our Organs Look Like Under A Microscope
- 1:21 pm September 29, 2018
- Hazel
Microscopes are optics that help you see even the smallest details if the things that you place under it. It is usually used in laboratories and hospitals, etc to see what our body has in it or maybe to inspect any evidence of some sort. Everyone can use this and it is quite the easy too. The smallest details that might have missed by you with your naked eye can be seen in a microscope. It might be really awesome to watch our organs under a microscope. Here we have pictures of human organs under the microscope.
Tongue
A tongue is a muscular organ without the bone. With its help, we are able to talk and it vertebrates that manipulate food for mastication. It looks quite gross under the telescope.
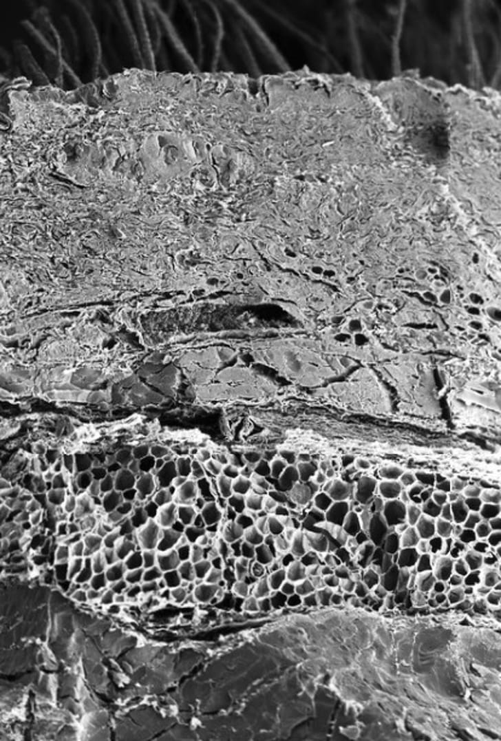
Bone
It is a rigid organ that constitutes part of the vertebrate skeleton. They are organs that are the support for the body and its various organs. Its structure is something very brilliantly formed. This is what it looks like under a telescope.
Small intestine
it is about 20 feet long and about an inch in diameter. It absorbs nutrients from what we eat and drink. This is what it looks like under a microscope.
Skin
The skin is the external organ of our body and everyone has a different shade according to their hereditary but everyone skin looks the same under a microscope unless you have a condition.
Eyes (Retina)
With the help of your eyes, you can see the world around and the retina is in different colors too. It looks like the universe above. We have the whole universe in our eyes. This is how it looks like under the microscope.
Healthy lungs
This is how your healthy lungs look like when it's under the microscope. If you smoke or anything this pick might just look darker, blacker in color. That's how you know that it is not healthy.
